切换到宽版
左右分栏
统计
基本信息
到访IP统计
管理团队
管理统计
在线会员
会员排行
版块排行
帖子排行
标签排行
帮助
日志
群组
热榜
分享
记录
用户名
密 码
记住登录
登录
找回密码
注册
快捷通道
关闭
您还没有登录,快捷通道只有在登录后才能使用。
立即登录
还没有帐号? 赶紧
注册一个
论坛
群组
火腿广场
手机客户端
帖子
用户
版块
帖子
搜索
PHPWIND
HELLOCQ
哈罗CQ火腿社区
>
设备
>
IC-78短波电台RF失效但静噪正常
发帖
回复
返回列表
新帖
57
阅读
3
回复
IC-78短波电台RF失效但静噪正常
[复制链接]
上一主题
下一主题
离线
bg5baw
UID:4183
注册时间
2003-04-01
最后登录
2025-10-18
在线时间
257小时
发帖
704
搜Ta的帖子
精华
0
访问TA的空间
加好友
用道具
注册用户
关闭
个人中心可以申请新版勋章哦
立即申请
知道了
发帖
704
加关注
发消息
只看楼主
倒序阅读
0楼
发表于: 昨天 16:09
一台IC-78短波电台 原来有接收没发射,经过几天的查找是频率合成板的一三极管漏电,不能触发CPU板开启发射。更换后收发正常,各方面还不错, 但电位外圈 接收RF调节失效,(接收弱信号是噪声可调轻一些)相反方向静噪正常,这个电位器是通过MCU的ADC脚位检测电位,电位器没问题。
有修过这类问题的来指点一下。
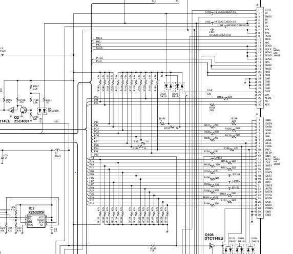
以下为逻辑板到主板的接口,哪条线控制RF接调节,谈谈看法。
共
条评分
姓名:潜卫强
邮箱:bg5baw@163.com 手机:13868300015 qq:154745226
回复
举报
分享到
淘江湖
新浪
QQ微博
QQ空间
开心
人人
豆瓣
网易微博
百度
鲜果
白社会
飞信
离线
bg5baw
UID:4183
注册时间
2003-04-01
最后登录
2025-10-18
在线时间
257小时
发帖
704
搜Ta的帖子
精华
0
访问TA的空间
加好友
用道具
注册用户
发帖
704
加关注
发消息
只看该作者
1楼
发表于: 昨天 16:14
三极管为 Q12 2SC4081
共
条评分
姓名:潜卫强
邮箱:bg5baw@163.com 手机:13868300015 qq:154745226
回复
举报
离线
bg5baw
UID:4183
注册时间
2003-04-01
最后登录
2025-10-18
在线时间
257小时
发帖
704
搜Ta的帖子
精华
0
访问TA的空间
加好友
用道具
注册用户
发帖
704
加关注
发消息
只看该作者
2楼
发表于: 昨天 16:27
接口1
图片:11111.jpg
共
条评分
姓名:潜卫强
邮箱:bg5baw@163.com 手机:13868300015 qq:154745226
回复
举报
离线
bg5baw
UID:4183
注册时间
2003-04-01
最后登录
2025-10-18
在线时间
257小时
发帖
704
搜Ta的帖子
精华
0
访问TA的空间
加好友
用道具
注册用户
发帖
704
加关注
发消息
只看该作者
3楼
发表于: 昨天 16:30
图片:222.jpg
三极管位置
共
条评分
姓名:潜卫强
邮箱:bg5baw@163.com 手机:13868300015 qq:154745226
回复
举报
发帖
回复
返回列表
https://www.hellocq.net/forum
访问内容超出本站范围,不能确定是否安全
继续访问
取消访问
隐藏
快速跳转
火腿资讯区
中国QSL卡片管理局
公告通知
各地火腿活动专题
火腿交流区
火腿神聊
新手培训班
莫尔斯电码 - CW
QSL卡展板
火腿技术区
DX通信
QRP and DIY
设备
天线和铁塔
V/UHF和移动通信
卫星和空间通信
APRS专题
业余无线电应急通信
火腿资源区
FlexRadio SDR收发机
现代通信
业余无线电器材信息
EchoLink/IRLP/远程电台及其他VoIP技术专区
火腿文化
ARDF - 业余无线电测向
计算机应用及数码产品
《电子制作》杂志
邻家火腿快讯
单片机与自动控制
HAM软件、HAM网站
业余无线电中文计划
HELLOCQ火腿社区版务工作室
关闭
关闭
选中
1
篇
全选