论坛风格切换切换到宽版
  • 110306阅读
  • 199回复

IF  SDR  [Babel Fish] 正式发布 [复制链接]

上一主题 下一主题
离线BA5SBA
发帖
3088
只看该作者 80楼 发表于: 2013-09-01
回 LC Liu 的帖子
[url=http://www.hellocq.net/forum/u.php?username=LC Liu]LC Liu[/url]:有兴趣, 有FT-2000 跟 FT-920 接线位置图吗? 考虑买个2组来玩玩.... (2013-08-30 17:04) 

把服务手册或图纸传给我,我可以找出参考的接线位置图

http://www.hellocq.net/forum/read.php?tid=320147
Babel Fish 连接HD SDR 的一些基本操作和使用技巧
http://v.youku.com/v_show/id_XNTk3MzYyOTQ0.html

淘宝小店 http://shop107578303.taobao.com/?spm=a1z10.3.0.0.cuLaul
离线LC Liu
发帖
44
只看该作者 81楼 发表于: 2013-09-01
回 BA5SBA 的帖子
BA5SBA:把服务手册或图纸传给我,我可以找出参考的接线位置图[表情] (2013-09-01 10:58) 

已經發到您信箱!  請看看1st IF 如何抓出來?? 多謝.
离线BA5SBA
发帖
3088
只看该作者 82楼 发表于: 2013-09-01
好明天我看看

http://www.hellocq.net/forum/read.php?tid=320147
Babel Fish 连接HD SDR 的一些基本操作和使用技巧
http://v.youku.com/v_show/id_XNTk3MzYyOTQ0.html

淘宝小店 http://shop107578303.taobao.com/?spm=a1z10.3.0.0.cuLaul
离线BA5SBA
发帖
3088
只看该作者 83楼 发表于: 2013-09-02
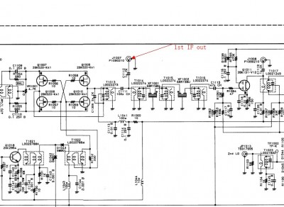
FT-920 的1st IF 频率为68.985 MHz
可以直接从J1007接口输出。


另一个文件打不开

http://www.hellocq.net/forum/read.php?tid=320147
Babel Fish 连接HD SDR 的一些基本操作和使用技巧
http://v.youku.com/v_show/id_XNTk3MzYyOTQ0.html

淘宝小店 http://shop107578303.taobao.com/?spm=a1z10.3.0.0.cuLaul
离线BX6AP
发帖
145
只看该作者 84楼 发表于: 2013-09-02
請問要如何購買
离线BA5SBA
发帖
3088
只看该作者 85楼 发表于: 2013-09-02
告诉我你要连接的电台型号,你的地址。
然后支付宝付款给我。

http://www.hellocq.net/forum/read.php?tid=320147
Babel Fish 连接HD SDR 的一些基本操作和使用技巧
http://v.youku.com/v_show/id_XNTk3MzYyOTQ0.html

淘宝小店 http://shop107578303.taobao.com/?spm=a1z10.3.0.0.cuLaul
离线BA5SBA
发帖
3088
只看该作者 86楼 发表于: 2013-09-03
FT-920 的1st IF 频率为68.985 MHz
可以直接从J1007接口输出。
要接隔离选频放大板。还要根据实际找个地方接隔离选频放大板的电源。7-14V都可以。
如果信号偏弱,可以把PCB上接J1007的隔离电容C1112 由1p改成10p。
以上意见仅供参考。











http://www.hellocq.net/forum/read.php?tid=320147
Babel Fish 连接HD SDR 的一些基本操作和使用技巧
http://v.youku.com/v_show/id_XNTk3MzYyOTQ0.html

淘宝小店 http://shop107578303.taobao.com/?spm=a1z10.3.0.0.cuLaul
离线BA5SBA
发帖
3088
只看该作者 87楼 发表于: 2013-09-03
FT-2000   的1st IF频率为 69.450 MHz

由于FT-2000 有预留接给选件【SCP-UNIT】的J1041 SCOPE端口,
主板自带了隔离选频电流,所以只要引出J1041的信号给【Babel Fish】使用即可。













[ 此帖被BA5SBA在2013-09-03 10:06重新编辑 ]

http://www.hellocq.net/forum/read.php?tid=320147
Babel Fish 连接HD SDR 的一些基本操作和使用技巧
http://v.youku.com/v_show/id_XNTk3MzYyOTQ0.html

淘宝小店 http://shop107578303.taobao.com/?spm=a1z10.3.0.0.cuLaul
离线BA5SBA
发帖
3088
只看该作者 88楼 发表于: 2013-09-10
今天整理发现常见的电台设备的IF频率都在64MHz-75MHz之间。

http://www.hellocq.net/forum/read.php?tid=320147
Babel Fish 连接HD SDR 的一些基本操作和使用技巧
http://v.youku.com/v_show/id_XNTk3MzYyOTQ0.html

淘宝小店 http://shop107578303.taobao.com/?spm=a1z10.3.0.0.cuLaul
离线LC Liu
发帖
44
只看该作者 89楼 发表于: 2013-09-12
回 LC Liu 的帖子
[url=http://www.hellocq.net/forum/u.php?username=LC Liu]LC Liu[/url]:有兴趣, 有FT-2000 跟 FT-920 接线位置图吗? 考虑买个2组来玩玩.... (2013-08-30 17:04) 

已經訂2套, 等到貨來玩玩!!!
离线bg5dbq
发帖
16
只看该作者 90楼 发表于: 2013-09-13
IC-R71E  可以吗?要怎么个搞法?
离线BA5SBA
发帖
3088
只看该作者 91楼 发表于: 2013-09-13
回 bg5dbq 的帖子
bg5dbq:
IC-R71E  可以吗?要怎么个搞法?

当然可以!
IC-R71的1st IF频率为 70.4515MHz
并且IC-R71的后面板直接有1st IF out的接口。




http://www.hellocq.net/forum/read.php?tid=320147
Babel Fish 连接HD SDR 的一些基本操作和使用技巧
http://v.youku.com/v_show/id_XNTk3MzYyOTQ0.html

淘宝小店 http://shop107578303.taobao.com/?spm=a1z10.3.0.0.cuLaul
离线BG6还在等
发帖
34
只看该作者 92楼 发表于: 2013-09-14
发现好东西,我的机器是FT-897。订一套。
BG6IQQ
郑州市桐柏南路238A1605号.
离线LC Liu
发帖
44
只看该作者 93楼 发表于: 2013-09-14
東西收到了, 做工很好.  這幾天找時間裝上去試試!  不懂的地方還請樓主協助幫忙....
离线BA5SBA
发帖
3088
只看该作者 94楼 发表于: 2013-09-14
回 BG6还在等 的帖子
BG6还在等:发现好东西,我的机器是FT-897。订一套。 (2013-09-14 01:48) 

好的!!

http://www.hellocq.net/forum/read.php?tid=320147
Babel Fish 连接HD SDR 的一些基本操作和使用技巧
http://v.youku.com/v_show/id_XNTk3MzYyOTQ0.html

淘宝小店 http://shop107578303.taobao.com/?spm=a1z10.3.0.0.cuLaul
离线BA5SBA
发帖
3088
只看该作者 95楼 发表于: 2013-09-14
回 LC Liu 的帖子
[url=http://www.hellocq.net/forum/u.php?username=LC Liu]LC Liu[/url]:東西收到了, 做工很好.  這幾天找時間裝上去試試!  不懂的地方還請樓主協助幫忙.... (2013-09-14 10:29) 

没问题,可以发邮件给我,也可加我QQ

http://www.hellocq.net/forum/read.php?tid=320147
Babel Fish 连接HD SDR 的一些基本操作和使用技巧
http://v.youku.com/v_show/id_XNTk3MzYyOTQ0.html

淘宝小店 http://shop107578303.taobao.com/?spm=a1z10.3.0.0.cuLaul
离线BG6还在等
发帖
34
只看该作者 96楼 发表于: 2013-09-16
对于不同的机器换装隔离选频放大板,是不是就行。?
BG6IQQ
郑州市桐柏南路238A1605号.
离线BA5SBA
发帖
3088
只看该作者 97楼 发表于: 2013-09-16
原设计是适用一种中频的电台,如果几台设备的中频频率一样的话就可以直接使用。例如
FT897  FT857  FT817  频率都为 68.330MHz

如果中频频率不一样的话需要重设IF频率。可以通过修改程序和增加编码开关来实现不同机型的切换。(需要定制)

http://www.hellocq.net/forum/read.php?tid=320147
Babel Fish 连接HD SDR 的一些基本操作和使用技巧
http://v.youku.com/v_show/id_XNTk3MzYyOTQ0.html

淘宝小店 http://shop107578303.taobao.com/?spm=a1z10.3.0.0.cuLaul
离线BG6还在等
发帖
34
只看该作者 98楼 发表于: 2013-09-16
款已付,请查收,我的设备是FT-897 。谢谢!收件地址站内消息。
BG6IQQ
郑州市桐柏南路238A1605号.
离线BA5SBA
发帖
3088
只看该作者 99楼 发表于: 2013-09-17
592596012601
顺风单号

http://www.hellocq.net/forum/read.php?tid=320147
Babel Fish 连接HD SDR 的一些基本操作和使用技巧
http://v.youku.com/v_show/id_XNTk3MzYyOTQ0.html

淘宝小店 http://shop107578303.taobao.com/?spm=a1z10.3.0.0.cuLaul