论坛风格切换切换到宽版
  • 3419阅读
  • 13回复

那位老大可以告诉我 [复制链接]

上一主题 下一主题
离线bd5ir
 
发帖
5779
只看楼主 倒序阅读 0楼 发表于: 2017-09-18
— 本帖被 BA7CK 从 QRP and DIY 移动到本区(2017-09-19) —
GM300控制PTT的那个晶体管在什么位置?最好附照片。谢谢了!那台开机就发射的机器准备继续琢磨一番。
BD5IR  徐强  手机:13979660139
地址:江西省吉安市吉州区
R303/**系列缠绕鞭天线:https://shop143335845.taobao.com

    
邮编:343000
井冈山两件宝:历史红.山林好。
离线bd5ir
发帖
5779
只看该作者 1楼 发表于: 2017-09-18
BD5IR  徐强  手机:13979660139
地址:江西省吉安市吉州区
R303/**系列缠绕鞭天线:https://shop143335845.taobao.com

    
邮编:343000
井冈山两件宝:历史红.山林好。
离线BA7NI
发帖
165
只看该作者 2楼 发表于: 2017-09-19
8信道机,Q812。型号DTC144W,代码1AM。
没配件就拆Q811用。
Good Lucky !
离线bd5ir
发帖
5779
只看该作者 3楼 发表于: 2017-09-19
谢谢7NI!马上按图索骥。谢谢!
BD5IR  徐强  手机:13979660139
地址:江西省吉安市吉州区
R303/**系列缠绕鞭天线:https://shop143335845.taobao.com

    
邮编:343000
井冈山两件宝:历史红.山林好。
离线bg5iw
发帖
7591
只看该作者 4楼 发表于: 2017-09-19
真是万能的论坛
江西景德镇   BD5IW
FT-817ND  FT-60R  IC-751a  
无线电  音乐  旅行  厨艺
在线爱不交租
发帖
12769
只看该作者 5楼 发表于: 2017-09-19
大佬高大佬劲大佬无得顶

内容来自Android手机客户端

离线bd5ir
发帖
5779
只看该作者 6楼 发表于: 2017-09-20
还是不行,把这两个管子拔了也是“开机就发射”,另外发现接上电源后就是不打开GM300的电源开关也有0.5安培的电流,且9脚的集成电路会发热。再请教7NI和各位下一步怎么走?谢谢!
BD5IR  徐强  手机:13979660139
地址:江西省吉安市吉州区
R303/**系列缠绕鞭天线:https://shop143335845.taobao.com

    
邮编:343000
井冈山两件宝:历史红.山林好。
离线bd5ir
发帖
5779
只看该作者 7楼 发表于: 2017-09-20
BA7NI:
8信道机,Q812。型号DTC144W,代码1AM。
没配件就拆Q811用。
Good Lucky !


如上所诉。
BD5IR  徐强  手机:13979660139
地址:江西省吉安市吉州区
R303/**系列缠绕鞭天线:https://shop143335845.taobao.com

    
邮编:343000
井冈山两件宝:历史红.山林好。
离线BD7IS
发帖
9951
只看该作者 8楼 发表于: 2017-09-20
楼主,是逻辑板问题还是中放板,有需要留个地址,送个800兆机身给你,逻辑版可以用在gm300上

内容来自Android手机客户端

离线bd5ir
发帖
5779
只看该作者 9楼 发表于: 2017-09-21
谢谢7IS,我对这个机器也不明白,不知道的什么板子哦。只知道是主机底下的那块有晶体的板。 可惜照片上不了。
[ 此帖被bd5ir在2017-09-21 10:25重新编辑 ]
BD5IR  徐强  手机:13979660139
地址:江西省吉安市吉州区
R303/**系列缠绕鞭天线:https://shop143335845.taobao.com

    
邮编:343000
井冈山两件宝:历史红.山林好。
离线BA7NI
发帖
165
只看该作者 10楼 发表于: 2017-09-22
回 bd5ir 的帖子
正常上电那只9脚IC(TDA1519)是会有一点点热的,这只IC是音频功放,工作电源是不经面板开关的。如果你开机会有“嘟”的一声可判断这只IC就是正常的。


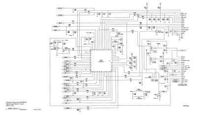
看着图纸玩吧。
离线bd5ir
发帖
5779
只看该作者 11楼 发表于: 2017-09-22
BA7NI你好!看你把CPU部分的图发上来了,是不是这个“开机发射”问题有可能是这部分出问题了?那样就麻烦了。
BD5IR  徐强  手机:13979660139
地址:江西省吉安市吉州区
R303/**系列缠绕鞭天线:https://shop143335845.taobao.com

    
邮编:343000
井冈山两件宝:历史红.山林好。
离线BA7NI
发帖
165
只看该作者 12楼 发表于: 2017-09-23
回 bd5ir 的帖子
bd5ir:BA7NI你好!看你把CPU部分的图发上来了,是不是这个“开机发射”问题有可能是这部分出问题了?那样就麻烦了。 (2017-09-22 12:50) 

你一开始把两个管子都拔了,那肯定开机就发射了嘛。
你有测过CPU的PTT脚(50脚)的电压正常吗?Q812不导通就肯定发射了。
离线bd5ir
发帖
5779
只看该作者 13楼 发表于: 2017-09-25
谢谢7NI!回头测一下。
BD5IR  徐强  手机:13979660139
地址:江西省吉安市吉州区
R303/**系列缠绕鞭天线:https://shop143335845.taobao.com

    
邮编:343000
井冈山两件宝:历史红.山林好。