论坛风格切换切换到宽版
  • 29269阅读
  • 36回复

全国YY业余无线电直发转发网台频道YY-LRN(DI:43985119) [复制链接]

上一主题 下一主题
离线bd8mi
 
发帖
208
只看楼主 倒序阅读 0楼 发表于: 2012-05-20
YY-LRN(DI:43985119)
全国YY业余无线电直发转发网台频道

YY-LRN频道就是一个全国YY业余无线电直发转发网台频道(ID43985119),由BD8MI创建,邀请全国HAM或有共同兴趣爱好的人到YY-LRN频道进行通联和交流。
这是一个通过YY语音软件电脑网台全国各业余无线电组织(团体)架设U段或者V段中继台,或者个人直电台联网,实现跨地区、多人(一呼百应)、多方式通联(网台与网台,网台与手机,手机与直发电台,网台与转发中继电台,甲地中继台与乙地中继台,02车用手机与13车手机等等)但是,无论您是电脑模式操作(网台)还是业余电台模式操作,都要遵守一定操作规范。因为,在频率上和网络YY上常有HAM无线电电台在工作,请使用标准呼号进行QSO规范操作。各位管理员(紫、黄、红马甲)负责本平台的维护和管理。
一、相关术语解释:
1YY语音
YY是广州华多网络科技有限公司(简称华多公司)旗下一款免费语音软件(http://www.yy.com/),免费申请一个用户账号后, 就可以分享YY提供网络语音服务。YY的研发、运营、维护等由华多公司YY事业部负责(以下简称YY官方)。
2YY频道
YY频道是YY官方推出的多人交流的服务平台。YY用户在创建频道后,可以邀请朋友或有共同兴趣爱好的人到该频道交流。在频道中,YY用户可以通过语音、文字等多种方式交流。
YY频道自主管理的权利受社区保护。频道创建者(简称OW紫马甲)拥有对频道的最高权限。OW可以分配管理权限(黄、红马甲)给其他人。只有成为该频道会员,才有发言等。
3、网台(-N
在上网(net)电脑(智能手机、平板电脑等)安装YY语音软件,申请一个自己呼号的账号,登陆后工作在YY-LRN频道(ID: 43985119)上,成为会员就可以用耳麦进行语音通联。电脑+YY软件就是一个网络电台,这个电台跟普通电台一样,有PTT键,有MIC,有设置菜单,只不过这个网络电台没有天线, NET连接就相当于天线,而且这个网络电台工作频率是在互联网上,我们叫网台。
4、直发(-L)电台
用网台连接直频发射(launch)电台,与电波覆盖范围内的其他电台进行通联。
5、转发(-R)电台
用网台连接中继(Repeaters)差频电台,转发当地中继台进行通联。-L -R 模式在操作和设置上没有任何区别,只是表明你网台转发到电台,所连接的频道类型。让连接你频道的对方了解所直发电台的性质(负责人、频点、电话),如果是连接到中继(-R)转发,那么就要遵守相关的中继操作规范。
CQ DE 遵义的BD8MI, 很高兴与您同好 ,让我们分享玩业余电台的快乐,用我们的爱好来充实美好的生话吧!希望与您QSO!  
离线bd8mi
发帖
208
只看该作者 1楼 发表于: 2012-05-20
二、YY-LRN会员模式操作规范
(1)YY-LRN上的操作惯例与您平时使用业余无线电基本一样。如果任何连接直频(-L)或中继(-R)的电台加入到本频道中,那么您就是在频率上了。您就应该注意其它的用户可能是在国内任何地方,因此,请使用规范通联用语并礼貌应答。如果您连接在一个繁忙的中继频道上,那就意味着:要时时记住报您的呼号,但也不必每次都在发射时报出呼号;在每次发射后应留出几秒钟的间隙,让别人在需要的时候有机会插入,而且可以让连接的电台和中继暂停一下,以免发射超时。
(2)如果很多人加入到同一个频道中,需要考虑在每次发射结束后,把话筒交给其它电台,尽管这可以不认为这是强制性的。如果有其他友台需要发言时,那就将话筒交给他。如果没有,那么简单的规则就是按先后的顺序通联(电脑用户可以方便地看到屏幕的电台(呼号)前的绿色圆点标记,这个标记表示正在说话通联,因此,只有他讲完话,把话筒交给其他的电台后,或者刚刚要求插入的电台才能发言)。
(3)如果您想与某一个电台进行长时间的交谈,而交谈的话题别的人又可能不感兴趣,那就断开当前频道去另一个频道进行直接连接(或者转到频道外)。当然,如果您说的大家都有兴趣,那就继续留在频道中!
(4)直发转发电台时,首先您在进入频道前,要对电台(S)与网台连接用的声控延时板进行测试,邀请朋友到测试频道一起测试自己的收发信号,并把自己的网台设置发言方式点击成自由发言模式,调整电平观察其PTT发射灯的忙碌状态(指直发转发电台的特殊设置的),以测试电台形式进入测试频道(不要随意进入直发转发频道)避免外部友台连接出现干扰。最好是测试好后再进入直发转发频道,并守听一段时间20秒左右后,无干扰后再呼叫。
(5)不要随便进别人正在测试的测试频道去,先在无人使用的频道上测试好再去与别人连接;更不要随便去连接-L和-R的电台,因为,可能频率上有不止一个人在守听。
(6)已经进入-L或-R电台,如果因某种原因不能马上断开连接,也无法进入另一个频道模式,在这个频道里的网台不要以自由发言模式(多人交谈)进入,尤其是不要以无呼号会员模式呼叫发言,因为你加入该频道发言,其他无线电台都会受到影响;
(7)如果你连接到的是一个中继台(-R),那你实际就是在那个中继频率上了,请一定要注意遵守中继操作规范和当地的一些习惯,因此,最好是进入频道后守听一段时间,学习了解后再开始说话。
(8)频道上有一些子频道通常有一些特定的主题,在一定的时间可能是台网时间,那么,还是要先守听,服从主控台指挥。
(9)在通联发射时,要留出时间间隙这样能够:让其他频道电台有时间来发送DTMF码上、下线。
(10)根据《互联网新闻信息服务管理规定》,切忌在频道内和友台交谈以下之类的内容:
1)违反宪法确定的基本原则的;
2)危害国家安全,泄露国家秘密,颠覆国家政权,破坏国家统一的;
3)损害国家荣誉和利益的;
4)煽动民族仇恨、民族歧视,破坏民族团结的;
5)破坏国家宗教政策,宣扬邪教和封建迷信的;
6)散布谣言,扰乱社会秩序,破坏社会稳定的;
7)散布淫秽、色情、赌博、暴力、恐怖或者教唆犯罪的;
8)侮辱或者诽谤他人,侵害他人合法权益的;
9)煽动非法集会、结社、游行、示威、聚众扰乱社会秩序的;
10)以非法民间组织名义活动的;
11)含有法律、行政法规禁止的其他内容的。
CQ DE 遵义的BD8MI, 很高兴与您同好 ,让我们分享玩业余电台的快乐,用我们的爱好来充实美好的生话吧!希望与您QSO!  
离线bd8mi
发帖
208
只看该作者 2楼 发表于: 2012-05-20
RER通信系统——中国业余无线电联网系统
宣传资料初稿(BD8MI整理)

RER通信系统的意思是中国业余无线电联网系统(YY频道ID:43850011)。
R表示无线信号,E表示网络连接。RER即表示各方终端使用无线对讲设备,中间通过RER平台传输转发。HAM可以申请一个YY号(http://www.yy.com),加入RER网络远程连接就可以实现异地联网。  
无线设备和网络联网最简单连接:电脑声卡的话筒、耳机插孔与对讲机(带声控)的话筒、耳机插孔用两根音频线交叉连接,调整适合的电脑和对讲机音频信号电平大小即可。当然,这种方式仅仅是实验性质的,实际使用效果并不是太好。喜欢DIY的朋友,可以试试最好的办法是自制一个带PTT延时的声控触发板,成本低廉。即便是自身没有相关制作触发板的资料或原件,RER频道成员中也可以帮助您完成制作和测试。在YY频道43850011里开通全国各省、市频道,方便大家的加入。 终端电台既可以联通本地区中继,也可以设置一个直发频点供本地HAM进行异地通联实验。
这个系统是建立在多玩YY语音系统上的,是非盈利的,主要是供全国各地的业余无线电爱好者使用。
进入YY频道43850011 ,申请成为会员,就可以与全国各地的对讲机直发、中继台转发、RER频道上的朋友(通过电脑耳麦或者智能手机)进行QSO通联。
RER频道会员须知(讨论稿,BD8MI整理)

一、RER管理机构:【创建者】:BG1MMB 13833991100
【主控台】:*天下※315-吉林延吉 (根据需要推选若干名)【管理员】:聘请全国各地有责任心、热情服务的会员升级担任黄马甲管理员,定期考评。
【直发站】:需要三名以上有电台呼号(电台执照)的HAM参加,联网设备能够清晰直发通联,并把工作时段、频率、亚音,负责人,同意参与直发通联的人员名单等报315备案。【中继转发站】:需要合法批准的集体业余中继台,联网设备能够清晰转发通联,并把工作时段、上下频率、亚音,负责人,同意参与转发通联的人员名单等等报315备案。
二、RER注意事项:
进来的友台请将自己的马甲改为呼号或小号加地区,格式例如:“BH1HYR-北京朝阳”、“BG0ADY-新疆乌鲁木齐”(字母使用大写,短横,省名城市)或者没有呼号的改成“939-山东青岛”,改好后申请入会。(务必不要冒用呼号)
本频道与各地直发站联网,您的发言将同步直播至全国各地频率,严禁政治宗教等敏感话题,请注意言辞。
用户在本频道请勿使用自由发言,请使用F2按键讲话。凡有干扰信号、乱发言者,管理员均可以禁麦。凡严重干扰正常通联的,将直接踢出频道。
④直发站、中继转发站要求在线时间按时规定在线,如果经常不在线将被踢出频道。
三、RER产权声明:㊣【RER】是由BG1MMB于2006年提出并使用,2012年2月16日创建YY43850011频道,严禁任何个人组织冒用,请注意知识产权的保护。
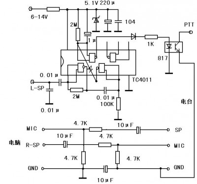
PTT声控延时板



[ 此帖被bd8mi在2012-05-23 21:49重新编辑 ]
CQ DE 遵义的BD8MI, 很高兴与您同好 ,让我们分享玩业余电台的快乐,用我们的爱好来充实美好的生话吧!希望与您QSO!  
离线bd8mi
发帖
208
只看该作者 3楼 发表于: 2012-05-20
YY语音软件电脑连接电台PTT声控延时板零件清单及样品
R1、 R5 (1K*2)、
R4、R6  (2M*2)  R7(1M)
R3、R8 、 R9 、 R10 、 R11 (10K*5)
C1 (1UF)
C2 、 C5 、 C6 、 R2、背面2只 (电容103*6)
C3、C7 、 C8 、 C9 (10UF*4) 、 C4 (空) 、电源滤波电容200UF
D1 (4148二极管)、 D2 (LED灯) 、D3 (稳压管5.1V)、 IC1 (TC4011) 、IC2 (817光耦)

CQ DE 遵义的BD8MI, 很高兴与您同好 ,让我们分享玩业余电台的快乐,用我们的爱好来充实美好的生话吧!希望与您QSO!  
离线BA8MM
发帖
913
只看该作者 4楼 发表于: 2012-05-20
正在使用中
BA8MM@21CN.COM  贵州业余无线电QQ群:254809131
离线走遍天下
发帖
82
只看该作者 5楼 发表于: 2012-05-21
支持下!同时申请成为会员,“490-黑龙江哈尔滨”,我是BY2HIT成员,个人呼号正在办理
一个背包——走遍天下[/COLOR]
个人呼号:BG2XDT
手台:TG-UV2  BF-UV5R
BY2HIT成员,2011-2012年负责人之一
QQ:490857789  欢迎光临我们的论坛www.by2hit.net/bbs
离线bh3og
发帖
178
只看该作者 6楼 发表于: 2012-05-21
您这样直接发上来感觉合适吗?
您的频道照抄43850011感觉合适吗?
您经过13833991100的号码拥有者BG1MMB的允许了吗?
离线BG8GUR
只看该作者 7楼 发表于: 2012-05-21
你这个是盗窃我们㊣RER中国业余无线电联网系统的资料和图片
离线bh3og
发帖
178
只看该作者 8楼 发表于: 2012-05-21
此项用法的发起者为BG1MMB,电话:13833991100,板子上已经注明。
从今年2月16日起,我们就开始这项玩法在YY频道43850011的正式小范围推出,并且,将各项软硬件技术完全公开,BG1MMB还特意开了一批印刷版(也就是各位看到楼上那批板子)成本价给大家提供,为的就是让更多人可以通过这个玩法,让全国各地的ham通过当地的直发电台和网络,达到远距离通联的目的,目前,43850011频道,已经完成了河北黄骅、河北秦皇岛、河北邯郸、吉林延吉、山东淄博、新疆喀什、内蒙包头等等许多地区的远距离UV-网络的"RER"互联。曾经,“贵州贵阳直发站”也是我们的一员。
自从这项玩法开始之初,我们就从来没有终止过与山寨的斗争,但是,到目前为止:2012年5月21日。YY频道43850011仍然是在线人数最多,人气最高的频道。
在此,我也奉劝各位:这项玩法刚发展起来不容易,如果您想真正服务广大HAM,让更多的人可以使用这项技术来完成UV段媲美短波的远距离通联,请大家聚集到一起,都在同一个频道。43850011频道,容纳下全国网络HAM是不成问题的。也只有大家在一个频道,才有远距离通联的可能,否则,一切都是空谈。
我们从来没有实行技术保密(实际上这项技术也没什么可保密的,明眼人一看就会),非常支持各位使用这项技术。
发帖
63
只看该作者 9楼 发表于: 2012-05-21
楼主的行为不好,明明是RER的,你怎么拿来主义呢?板子也是人家设计成批开板的,你另立门户没人拦你,但,拿出你自己的设计成果呀。
BG7YAG
广东深圳龙华
15118000356
体谅 忠诚 进取 友爱 适度 爱国
离线BG9COT
发帖
48
只看该作者 10楼 发表于: 2012-05-22
............
呼号:BG9COT      QQ: 541788958      
51主页: http://gdzhryw.51.com    
邮箱:  gdzhryw@163.com  
地址:陕西  西安
一个退伍老兵,原河南明港54650部队  54653部队1996年入伍!!
离线bd8mi
发帖
208
只看该作者 11楼 发表于: 2012-05-23
我非商业用途,为其宣传,不收广告费,共享无线电+网络资源。
CQ DE 遵义的BD8MI, 很高兴与您同好 ,让我们分享玩业余电台的快乐,用我们的爱好来充实美好的生话吧!希望与您QSO!  
离线bd8mi
发帖
208
只看该作者 12楼 发表于: 2012-05-23
我非商业用途,为其宣传,不收广告费,共享无线电+网络资源。参考资料:
CQ DE 遵义的BD8MI, 很高兴与您同好 ,让我们分享玩业余电台的快乐,用我们的爱好来充实美好的生话吧!希望与您QSO!  
离线bd8mi
发帖
208
只看该作者 13楼 发表于: 2012-05-23
我非商业用途,为其宣传,不收广告费,共享无线电+网络资源。参考资料:


[ 此帖被bd8mi在2012-05-24 20:31重新编辑 ]
CQ DE 遵义的BD8MI, 很高兴与您同好 ,让我们分享玩业余电台的快乐,用我们的爱好来充实美好的生话吧!希望与您QSO!  
离线BG8NLT
发帖
10
只看该作者 14楼 发表于: 2012-05-23
转载是让更多HAM朋友知晓,让大家学习交流,我认为没有什么不好的。古时候郎中给病人开中药,其药渣还要倒在路边,是让懂医者看了指出其用药是否正确呢!
邹洪
BG8NLT
贵州省习水县城桂花路12号(习水县人民医院办公室)
离线BH1IEO
发帖
4250
只看该作者 15楼 发表于: 2012-05-23
Echolink结构图是我摘自官网后自己编辑的,只要是对方写了转发注明出处,转发时就要注明一下来源,大家乐吧。
燕  巴  虎  开 始 玩 户 外 了
E-mail:1162846706@qq.com
QTH :未来火星人
Echolink Links Node:15668
WiRES-X Node ID:14231
WiRES-X Room:24231
ALLSTAR Links Node:28559
Echolink brought us into the 21st century
APRS:BH1IEO Home IGATE/Yaesu 1DR-5/Kenwood D72E-6/LM3G Mobile-7/GPRS APRS Mobile car-8/Yaesu 400DR Jeep Mobile-9/Mobile phone-12
离线bg8niq
只看该作者 16楼 发表于: 2012-05-23
回 BG8GUR 的帖子
BG8GUR:你这个是盗窃我们㊣RER中国业余无线电联网系统的资料和图片 (2012-05-21 21:35) 

bg8gur怎么这样说呢,这个图片资料需要盗窃才能得到吗?
离线bd8mi
发帖
208
只看该作者 17楼 发表于: 2012-05-23
BG8GUR:你我都是RER公会的管理员,那能分“你”与“我们”!有好玩的,应分享。]
CQ DE 遵义的BD8MI, 很高兴与您同好 ,让我们分享玩业余电台的快乐,用我们的爱好来充实美好的生话吧!希望与您QSO!  
离线BH1IEO
发帖
4250
只看该作者 18楼 发表于: 2012-05-23
都累不累呀,软件平台都是谁研发的才是主要的。说白了,没有平台,什么都是白搭。 有首歌叫孤独是可耻的,但不孤独就要付出才能得到别人的掌声。
燕  巴  虎  开 始 玩 户 外 了
E-mail:1162846706@qq.com
QTH :未来火星人
Echolink Links Node:15668
WiRES-X Node ID:14231
WiRES-X Room:24231
ALLSTAR Links Node:28559
Echolink brought us into the 21st century
APRS:BH1IEO Home IGATE/Yaesu 1DR-5/Kenwood D72E-6/LM3G Mobile-7/GPRS APRS Mobile car-8/Yaesu 400DR Jeep Mobile-9/Mobile phone-12
离线BG8NLT
发帖
10
只看该作者 19楼 发表于: 2012-05-24
还有"另立门户"之说就没有道理了,㊣RER中国业余无线电联网系统我也是会员,但HAM朋友们水平参差不齐(本人属水平最低的),有时不注意操作错误--禁麦,既影响别人,自己脸上也挂不住啊.各地开辟一个频道,大家都熟悉,练练口,练练手,为将来和各地朋友交流奠定基础,为何不可?也不该叫做"另立门户"啊,天下HAM是一家嘛!
邹洪
BG8NLT
贵州省习水县城桂花路12号(习水县人民医院办公室)